مكثف غلافي أنبوبي Shell-and-Tube Evaporator
وحدات تكييف هواء أفقية لخفض درجة الحرارة داخل الكبائن الكهربائية والإلكترونيةيستخدم المكثف الأنبوبي ذو الغلاف أنابيب تبادل حراري موثوقة وتصميم هيكلي محسن، مما يوفر كفاءة عالية في نقل الحرارة ومقاومة قوية للضغط. بفضل هيكله المدمج، وتشغيله المستقر، ومقاومته للتآكل، يعد مناسب لأنظمة التبريد المتوسطة والكبيرة. يستخدم على نطاق واسع في تكييف الهواء المركزي، ومخازن التبريد، وتطبيقات التبريد الصناعية، مما يضمن أداء فعال طويل الأمد للنظام.
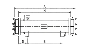
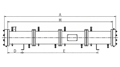
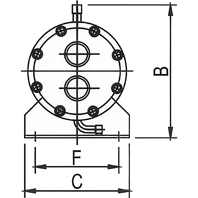
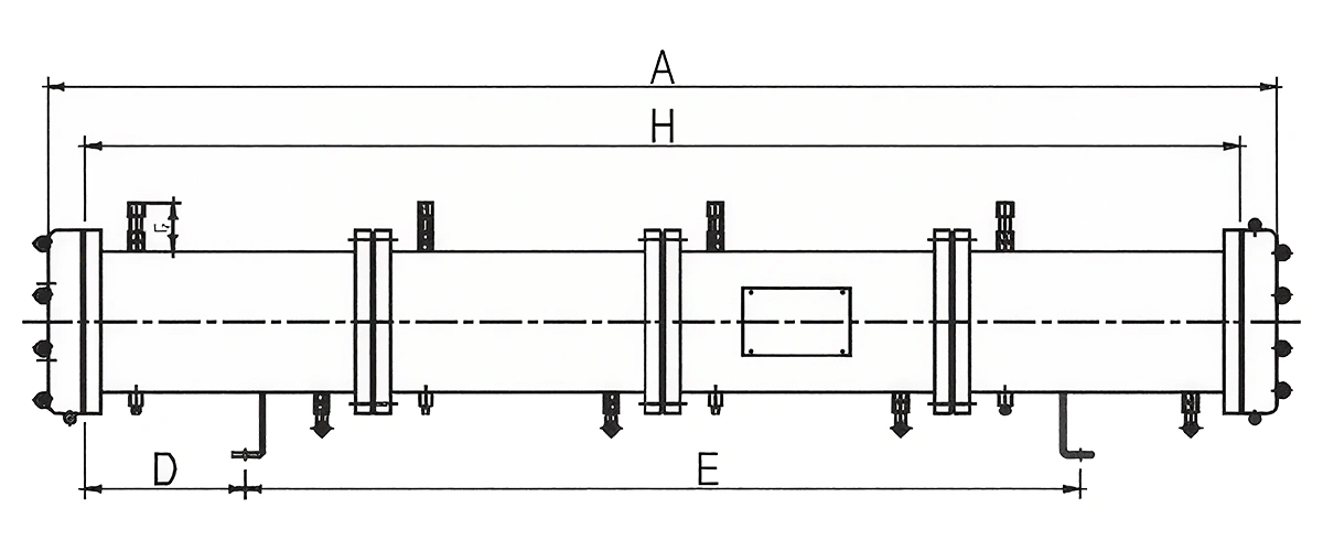
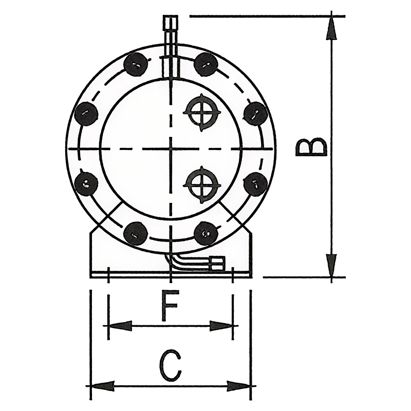
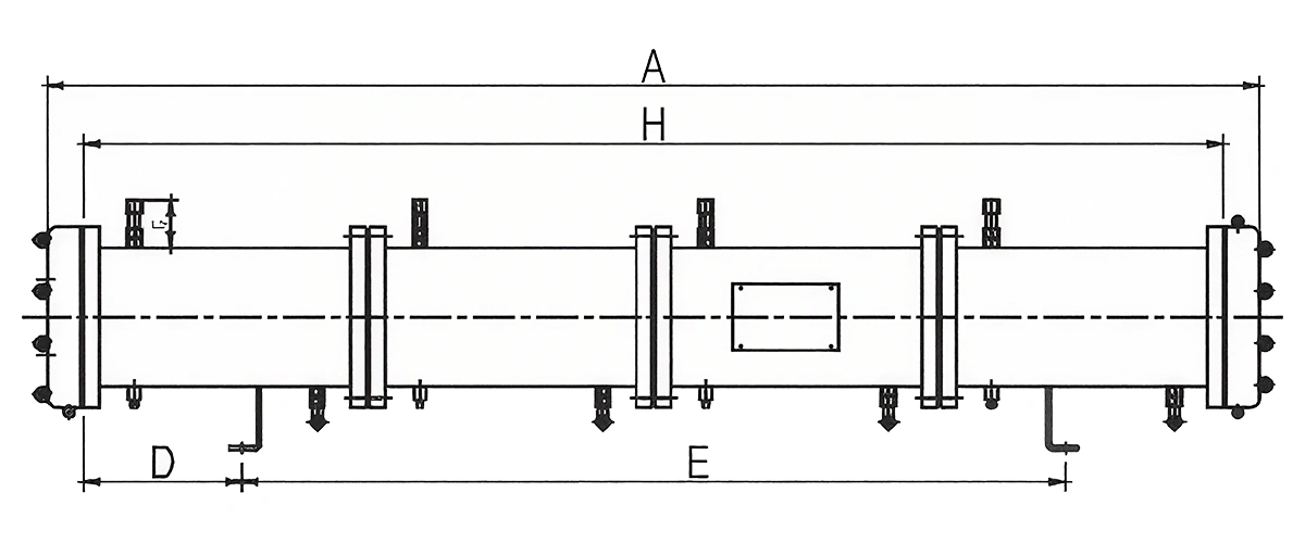
المواصفات
| نموذج مبادل حراري | قدرة الضاغط بالحصان | توصيلة أنبوب الماء | الأبعاد (مم) | |||||||
| A | B | C | D | E | F | G | H | |||
|
|
5HP | DN25 | 680 | 295 | 180 | 100 | 360 | 140 | 70 | 560 |
|
|
6HP | DN25 | 680 | 295 | 180 | 100 | 360 | 140 | 70 | 560 |
|
|
7HP | DN25 | 840 | 295 | 180 | 120 | 480 | 140 | 70 | 720 |
|
|
8HP | DN40 | 840 | 295 | 180 | 120 | 480 | 140 | 70 | 720 |
|
|
10HP | DN40 | 900 | 310 | 200 | 140 | 500 | 160 | 70 | 780 |
|
|
12HP | DN40 | 900 | 310 | 200 | 140 | 500 | 160 | 70 | 780 |
|
|
15HP | DN40 | 1480 | 320 | 250 | 180 | 1000 | 200 | 70 | 1865 |
|
|
20HP | DN50 | 1480 | 320 | 250 | 180 | 1000 | 200 | 70 | 1365 |
|
|
25HP | DN50 | 1480 | 320 | 250 | 180 | 1000 | 200 | 70 | 1865 |
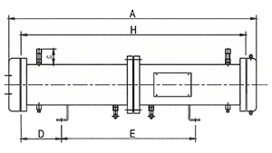
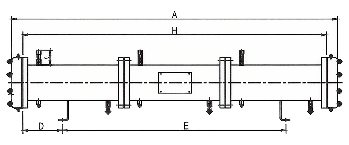
المواصفات
| نموذج مبادل حراري | قدرة الضاغط بالحصان | توصيلة أنبوب الماء | الأبعاد (مم) | |||||||
| A | B | C | D | E | F | G | H | |||
|
|
4HP*2 | DN40 | 1107 | 320 | 250 | 180 | 600 | 200 | 70 | 1005 |
|
|
5HP*2 | DN40 | 1107 | 320 | 250 | 180 | 600 | 200 | 70 | 1005 |
|
|
6HP*2 | DN40 | 1107 | 320 | 250 | 180 | 600 | 200 | 70 | 1005 |
|
|
7.5HP*2 | DN40 | 1480 | 320 | 250 | 180 | 1000 | 200 | 70 | 1365 |
|
|
10HP*2 | DN50 | 1480 | 320 | 250 | 180 | 1000 | 200 | 70 | 1365 |
|
|
12HP*2 | DN50 | 1480 | 320 | 250 | 180 | 1000 | 200 | 70 | 1365 |
|
|
15HP*2 | DN50 | 1480 | 320 | 250 | 180 | 1000 | 200 | 70 | 1365 |
|
|
20HP*2 | DN50 | 1480 | 320 | 250 | 180 | 1000 | 200 | 70 | 1365 |
|
|
25HP*2 | DN65 | 1480 | 320 | 250 | 180 | 1000 | 200 | 70 | 1365 |
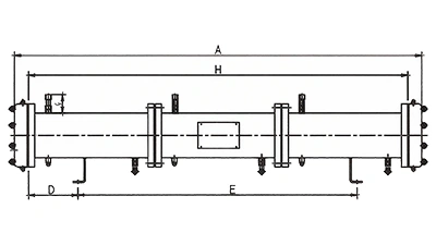
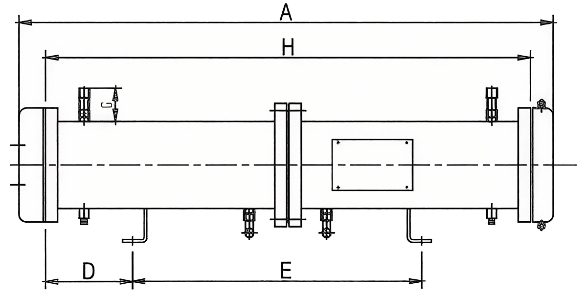
المواصفات
| نموذج مبادل حراري | قدرة الضاغط بالحصان | توصيلة أنبوب الماء | الأبعاد (مم) | |||||||
| A | B | C | D | E | F | G | H | |||
|
|
5HP*3 | DN50 | 1648 | 350 | 350 | 200 | 1130 | 300 | 70 | 1534 |
|
|
10HP*3 | DN50 | 2014 | 350 | 350 | 303 | 1300 | 300 | 70 | 1900 |
|
|
12HP*3 | DN65 | 2014 | 350 | 350 | 303 | 1300 | 300 | 70 | 1890 |
|
|
20HP*3 | DN80 | 2014 | 410 | 350 | 303 | 1300 | 300 | 70 | 1900 |
|
|
25HP*3 | DN80 | 2014 | 410 | 350 | 303 | 1300 | 300 | 70 | 1890 |
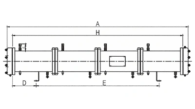
المواصفات
| نموذج مبادل حراري | قدرة الضاغط بالحصان | توصيلة أنبوب الماء | الأبعاد (مم) | |||||||
| A | B | C | D | E | F | G | H | |||
|
|
10HP*4 | DN65 | 1913 | 388 | 350 | 250 | 1300 | 300 | 70 | 1800 |
|
|
12HP*4 | DN65 | 1913 | 388 | 350 | 250 | 1300 | 300 | 70 | 1800 |
|
|
15HP*4 | DN65 | 1913 | 388 | 350 | 250 | 1300 | 300 | 70 | 1800 |
|
|
20HP*4 | DN80 | 1913 | 388 | 350 | 250 | 1300 | 300 | 70 | 1800 |
|
|
25HP*4 | DN80 | 2650 | 410 | 350 | 303 | 1800 | 300 | 70 | 2540 |
المواصفات
| نموذج مبادل حراري | قدرة الضاغط بالحصان | توصيلة أنبوب الماء | الأبعاد (مم) | |||||||
| A | B | C | D | E | F | G | H | |||
|
|
12HP*5 | DN65 | 2364 | 388 | 350 | 260 | 1750 | 300 | 70 | 2250 |
|
|
25HP*5 | DN100 | 3220 | 575 | 600 | 325 | 2220 | 500 | 90 | 2870 |
- كفاءة الطاقة
- الابتكار
- ميزات السلامة
- التصنيع الدقيق
أداء الطاقة
-
25% تحسين كفاءة التبادل الحراري بنسبة 25% تقريباًأنابيب نحاسية ملولبة داخلياً (سن داخلي) -
20% تحسين كفاءة التبادل الحراري بنسبة 20% تقريباًزعانف على شكل موجة -
6% يقلل استهلاك الطاقة الإجمالي بنسبة 6% تقريباًصمام تمدد إلكتروني متحكم فيه بنظام PID -
20% تحسين تجانس التوزيع بنسبة 20% تقريباًنظام توزيع محسن للمبرد -
10% يعزز دوران الهواء بنسبة 10% تقريباًتصميم مسار تدفق الهواء الأمثل -
20% يقلل استهلاك طاقة المروحة بنسبة 20% تقريباًالتحكم الآلي في حجم الهواء
الابتكار
-
مبخر من الفولاذ المقاوم للصدأ -
مكثف على شكل حرف V -
خزان مياه أسطواني -
مروحة منخفضة الضوضاء -
وحدة تحكم بشاشة لمس -
نظام تحكم متقدم
ميزات أمان متعددة
-
حماية من ارتفاع درجة الحرارة -
الحماية من التيار -
التشخيص الذاتي -
نظام ذكي مضاد للتجمد -
إنذار تدفق المياه -
إنذار مستوى الماء -
إنذار الضغط -
تشغيل/إيقاف المؤقت
التصنيع الدقيق
-
تشكيل الصفائح المعدنية بدقة -
حلقات توجيه التدفق المختومة -
نظام الثني الروبوتي (Bystronic، سويسرا) -
تقنية اللحام بالليزر -
قطع مواد العزل آلياً -
لحام الوصلات الآلي
بفضل خبرة تزيد عن 20 عام في مجال التبريد الصناعي، تقوم شركة KANSA بتصميم وتصنيع مجموعة متنوعة من المبردات الصناعية (الشيلرات) ومعدات التحكم في درجة حرارة العمليات داخلياً لضمان جودة متسقة، وتشغيل موثوق، وثبات استثنائي في درجة الحرارة بدقة ±0.05 درجة مئوية. تحمل الشركة شهادات CE وISO9001-2016 وISO45001 وغيرها من الشهادات الدولية، وتخدم أكثر من 70,000 عميل حول العالم.













